Плюсы по сравнению с классическими

Главным преимуществом служит отсутствие движущихся элементов механической системы, приводимой в действие силой человека. Бонусом идет, принцип работы на основе реле или электронных ключей, дающий большую надежность и долговечность, сравнительно с классическими вариантами.
Остальные плюсы вытекают из предыдущего факта. К примеру — можно сделать выключатель полностью герметичным полностью убрав воздействие окружающей среды на его функциональность. Не зря, все системы ручного контроля с высоким индексом защиты IP построены на основе сенсорных принципов работы. Легкость применения тоже достойна упоминания. Для переключения состояния достаточно прикоснутся, или просто поднести руку к устройству.
Принцип работы
Устройство функционирует за счет установленного в нем микроконтроллера. Контроллер санкционирует включение и выключение света по хлопку. Данный прибор при желании можно использовать для контроля за другими электробытовыми устройствами (кондиционерами, вентиляторами и т. п.).
Звук от хлопка проходит через микрофон, там усиливается и трансформируется электрический импульс. Далее происходит выравнивание звука благодаря работе выпрямляющих диодов. Звук находится под контролем резистора (если уровень громкости звука ниже заданного, резистор не допустит срабатывания прибора).
Свет отключается и включается после последовательной зарядки и разрядки конденсаторов. По окончании полного цикла деятельности (по еще одному хлопку) резистор и конденсатор C10 разряжаются за четыре секунды. Это приводит устройство к выключению.
Выключатели света, активирующиеся звуками от хлопков, можно найти в продаже или сделать самостоятельно. Рассмотрим прибор «Экосвет-Х-200-Л», выпускаемый белорусской . Он обладает следующими техническими характеристиками:
- мощностью нагрузки — до 300 ватт;
- силой звука — 30–150 децибел;
- напряжением сети — 220 вольт.
Хлопковые выключатели «Экосвет-Х-300-Л» предназначены для включения и выключения освещения по громкому и звонкому звуку В комплект кроме непосредственно выключателя входит коробка и инструкция по монтажу. Цена данного выключателя в сравнении с аналогичными приборами других изготовителей является вполне демократичной. Выключатель выпускается в защитном корпусе класса IP-30. Работать он может при температуре от -20 оС до 40 оС.
ЧИТАТЬ ДАЛЕЕ: Колонковое бурение скважин технология и нюансы проведения работ
Такое устройство сочетается фактически с любыми светильниками: галогенными, люминесцентными, энергосберегающими, LED и стандартными лампами накаливания. Размер устройства — не более спичечного коробка, поэтому его легко разместить в основании любого источника света. Крепится выключатель с помощью двустороннего строительного скотча или саморезов.
Медные провода можно соединить при помощи клемм Wago
Плюсы клеммников Wago:
- быстрота, аккуратность и лёгкость соединения проводов;
- электробезопасность;
- отсутствие необходимости использовать специальный инструмент электрика;
- надёжность;
- эстетичность и красота.
Минусы клеммников Wago:
- высокая цена;
- не слишком удобное расположение гнёзда.
Для диммерного включения электричества применяется оптико-акустический выключатель. Он действует следующим образом:
- Звуковой сигнал (в нашем случае это хлопок) поступает на чувствительную мембрану микрофона. Там звук конвертируется в электрический импульс. При проходе через операционный усилитель мощность импульса увеличивается и осуществляется зарядка конденсатора. При достижении зарядом большей величины, чем на ёмкости, происходит переключение компаратора. Ноль при этом на выходе заменяется импульсом от логического участка.
- Такая цепочка последовательно активируется в выключателе после получения акустического сигнала от микрофона. Затем запускается транзисторный генератор, направляющий электрические импульсы, и открывается симистор. Через него происходит поступление электропитания на источник света.
- Через некоторое время конденсатор теряет уровень напряжения. При этом симистор принимает управляющие электрические сигналы с постоянно увеличивающимся фазовым замедлением, вследствие чего происходит плавное выключение света. При оптимальном подборе номиналов световой источник выключается с паузой до трёх минут.
Для диммерного включения электричества применяется оптико-акустический выключатель
Производители
Хлопковый выключатель “Экосвет”
Как собрать сенсорный выключатель своими руками
Снижение цен на электронику делает нецелесообразным изготовление акустических выключателей света своими руками. Выключатель “Экосвет” работает со всеми видами ламп на 220 В. Технические характеристики:
- нагрузка – 300 Вт;
- воспринимаемый звук – от 30 до 150 дБ;
- уровень защиты корпуса – IP30;
- температура эксплуатации – от -200С до +400С;
- цена – 350 руб.
Устройство крепится саморезами за крепежные лапки. Принцип работы заключается во включении и отключении нагрузки по одному хлопку. Выключатель не следует располагать в помещениях, где может присутствовать посторонний звук. Допускаются ложные срабатывания, несмотря на то, что он настроен преимущественно на хлопки.
“Экосвет” подключается к сети 220 В по схеме подключения плавного акустического выключателя, изображенной на рисунке выше. При этом видно, что он связан с обычным выключателем, который нужен для того, чтобы обесточить схему и вывести ее из работы.

Схема подключения хлопкового выключателя “Экосвет”
Выключатель “Claps”
Современная модель выключателя “Claps” – это одна из новых разработок, где звук обрабатывается микропроцессором. Устройство настроено на несколько хлопков и не реагирует на другой посторонний звук. При этом обязательным условием для включения или отключения света является подача сигналов подряд. В одном помещении можно устанавливать несколько таких выключателей, реагирующих на определенное количество хлопков. Для этого на электронной плате устройства нужно установить перемычку в определенное положение. Таким образом, подавая нужное количество равномерно следующих друг за другом сигналов, можно управлять несколькими приборами, например, источниками света, вентилятором, увлажнителем воздуха, музыкальным центром и другими.
Открывание с помощью электропривода штор хлопками может произвести впечатление на гостей. Устройство управления имеет размеры спичечного коробка и может легко быть спрятанным в корпусе прибора или в подрозетнике выключателя. Под версию “Claps Plug” можно легко приспособить любой бытовой прибор с электрическим шнуром, который будет включаться по звуку.

Хлопковый выключатель “Claps Plug”
Подобное срабатывание лучше защищает от постороннего шума. Этим модель отличается от акустического выключателя. Лампы могут быть любые. По сравнению с предыдущей моделью, цена устройства значительно выше (2450 руб.).
Если в хлопковом выключателе предусмотрено плавное включение нагрузки, то с люминесцентными лампами он работать не будет. Выключатель “Claps” с ними можно использовать.
Как работают акустические датчики управления освещением

Основная цель акустического реле — экономия электроэнергии
Держать включенным освещение нужно только в том случае, если в помещении или на площадке, где оно смонтировано, присутствуют люди. Исключение составляют только дежурные светильники, предназначенные для того, чтобы можно было заметить несанкционированное проникновение на территорию.
Дома оно не применяется. Для того чтобы зафиксировать появление людей, и чтобы лампы работали только в их присутствии, и предназначены датчики акустические для освещения.
Условно датчики можно разделить на два типа:
- срабатывающие на любой шум, это подавляющие большинство акустических реле промышленного изготовления;
- реагирующие на звуковые команды, таких реле меньше и чаще они самодельные.
Рассмотрим каждый тип по отдельности.
Реагирующие на шум
Чаще всего для освещения акустический датчик монтируют на лестничных площадках и коридорах. В доме их устанавливать бесполезно, кроме комбинации с реле задержки отключения в санузлах и ванных (этот вариант мы рассмотрим тоже).
Если человек передвигается, то он обязательно издает звуки, пусть даже и негромкие, конечно, если нет задачи пройти бесшумно. Это стук открывающейся или закрывающейся двери, шум шагов разговоры (и даже сработавшего замка). Их и фиксирует датчик.
Совместная работа с освещением его основана на следующем принципе. Например, датчик шумовой для освещения смонтирован на лестничной площадке (о том, где их лучше устанавливать, а где нежелательно расскажем ниже), возможны два варианта.
Первый вариант
- Человек вошел в двери.
- Акустический датчик услышал шум и дал приказ на включение освещения.
- Пока мы идем (если только стараемся не скрывать свои шаги как ниндзя), он слышит шум и оставляете свет включенным.
- Последний звук — закрытая дверь, освещение отключено.
Второй вариант
- Реле слышит звук (шаги, замок, скрип двери, разговор), подается команда на реле задержки времени и одновременно включается освещение.
- После того как прошло заложенное в реле задержки время (одно должно быть достаточным для того, чтобы пройти коридор или лестничную площадку) освещение выключается.
Функция задержки может быть встроена как в само акустическое реле (большинство моделей), так и выполнятся с помощью дополнительных узлов.
Надо отметить, что и в первый вариант работы реле может включаться реле задержки, но только не выключения, а включения. Это делается для того чтобы защититься от ложных срабатываний. То есть освещение не включается от кратковременного шума (например, удара грома на улице или сигнала автомашины), необходимо чтобы звук продолжался в течение некоторого времени.
Реле, реагирующее на шум, имеет как достоинства, так и недостатки.
Достоинства
- Реле, как правило, несложное, а значит цена на него небольшая.
- В отличие от датчиков движения оно не срабатывает при передвижении домашних животных и грызунов и на электромагнитные наводки.
Минусы
Чтобы избежать включения в светлое время суток освещение его нужно включать либо вручную, либо с помощью таймера. Возможен вариант установки датчика освещенности на улице.
- Акустическое реле нельзя установить в жилых комнатах, так как освещение будет выключаться, например, после того, как вы устроитесь с книгой на диване и не будете издавать никаких звуков.
- Реле плохо работает, точнее, постоянно включается, если большой уровень фонового шума. Например, нельзя его установить в подъезде, который выходит на шумную улицу.
Реле, реагирующее на команды
В простейшем случае это может быть звук гораздо громче, чем те, которые могут быть слышны при обычном присутствии людей в комнате. Например, хлопок в ладоши.
Автор этой статьи собирал подобную конструкцию в детстве, посещая дом пионеров. Такое реле фактически представляет собой обычное реле шума, только порог его срабатывания выше и оно различает минимум две команды.
Например, хлопнули один раз, свет зажегся, два раза погас. Его вполне можно устанавливать в жилых помещениях, правда, все-таки наверно удобнее пользоваться обычным выключателем, чем постоянно хлопать.
В более сложном варианте можно собрать устройство, которое будет различать голосовые команды. То есть реле будет различать речь, так как браузер различает «О’ Кей Гугл». Правда, промышленных вариантов этого реле пока нет в продаже.
Дистанционный выключатель света. Три варианта
В данной статье приведем несколько вариантов схем, при помощи которых можно изготовить дистанционный выключатель света.
Дистанционный выключатель света при помощи ПДУ
Это простая схема для дистанционного включения и выключения любого электрического устройства при помощи обычного пульта дистанционного управления (ПДУ).
Дальность действия дистанционного выключателя составляет около 10 метров. В качестве датчика используется 3-контактный ИК- приемник (TSOP 1738 или его аналог), работающий на частоте 38 кГц. При обнаружении ИК-излучения, на выходе датчика появляется сигнал лог.0, который в свою очередь усиливается транзистором VT1.

С выхода транзистора VT1 усиленный сигнал запускает ждущий мультивибратор на таймере NE555 . Импульс с выход (3) таймера, имеющий длительность в 1 секунду, переключает JK-триггер, чей выход (1) через транзистор (VT2) управляет электромагнитным реле. С каждым новым сигналом от NE555, выход JK-триггера будет изменяться на противоположное состояние.
Светодиод HL1 используются для отображения состояния выходного каскада во время работы устройства. Схема запитана от стабилизатора напряжения 7805. Конденсатор С2 и резистор R4 предназначены для предотвращения ложного срабатывания таймера NE555.
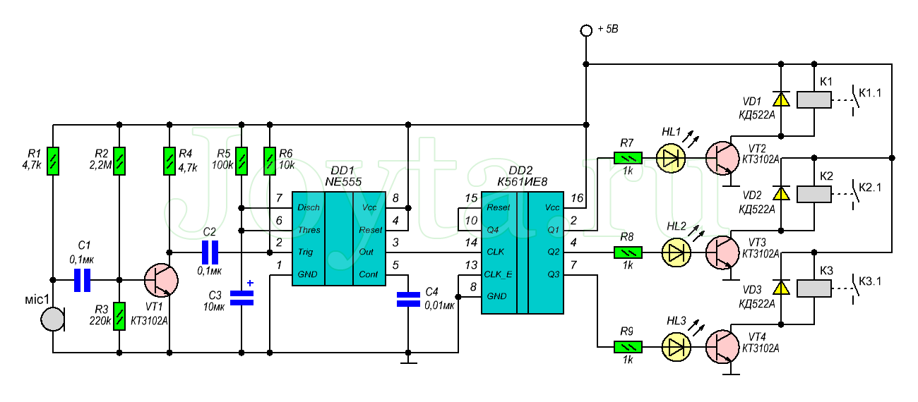
Дистанционный выключатель света по хлопку
Вариант 1
Эта схема дистанционного акустического выключателя предназначена для дистанционного включения / выключения света либо изменения скорости вращения напольного вентилятора. Особенность данного дистанционного выключателя в том, что управление нагрузкой происходит по звуковому сигналу (хлопку). Так же данная схема может быть востребована, в целях безопасности, для бесконтактного включения и выключения электроприборов в помещениях с повышенной влажностью.

Устройство имеет три канала управления, каждый из которых оснащен индикатором на светодиоде. Основу схемы акустического выключателя составляют две микросхемы: таймер NE555 и десятичный счетчик-делитель К561ИЕ8 (аналог CD4017)
Микросхема NE555 в данном случае подключена в режиме ждущего мультивибратора. При изменении сигнала на входе 2 таймера NE555, на его выходе 3 появляется одиночный импульс, после чего ждущий мультивибратор переходит в исходное состояние. С помощью формулы, приведенной ниже, можно длительность выходного импульса:
В то время, когда кто-то хлопает в ладоши, звуковой сигнал при помощи конденсаторного микрофона преобразуется в электрический. Затем этот сигнал поступает на базу транзистора VT1, который в свою очередь запускает ждущий мультивибратор на NE555.
Сигнал с выхода 3 таймера NE555 поступает на счетный вход (вывод 14) микросхемы К561ИЕ8. После получения сигнала тактовой частоты, счет начинается с нуля. С каждым новым входным сигналом (хлопком) происходит последовательное появление сигнала высокого уровня на выходах К561ИЕ8. (Подробное описание К561ИЕ8.)
Поскольку схема имеет три канала для управления, то следующий выход (вывод 10) подключены к выводу обнуления счетчика (вывод 15), и при появлении на выводе 10 лог.1 происходит сброс счетчика, в результате чего все три канала обнуляются и счет начинается снова.
При первом хлопке на вывод 2 будет лог.1 — загорится светодиод HL1 и включится реле К1, при следующем хлопке лог.1 появится уже на выводе 4 — загорится светодиод HL2 и включится реле К2, при этом на выводе 2 будет лог.0 и светодиод HL1 погаснет (реле К1 отключится) и так далее.
Вариант 2
Звуковой сигнал, принятый микрофоном, усиливается микрофонным усилителем на ОУ 741. С выхода ОУ сигнал поступает на вход десятичного счетчика К561ИЕ8, работа которого была описана в предыдущей схеме.

C помощью резистора R3 регулируют чувствительность ОУ 741. Резистор R1 устанавливает чувствительность микрофона. Резистор R4 предназначен для исключения ложных срабатываний счетчика К561ИЕ8. Свечение светодиода HL1 указывает на выключенное состояние нагрузки.
Дистанционный выключатель света на основе лазера
Эта простая схема дистанционного выключателя построена на таймере NE555. В качестве управляющего элемента использована лазерная указка. Эта схема была опробована в работе с расстояния 50 метров и показала хорошие результаты. По большому счету дальность действия зависит от мощности и качества самого лазера. Электрическая схема дистанционного выключателя:

Установка устройства
Собрать простой акустический выключатель по хлопку можно своими руками, он состоит из следующих деталей:
- Резисторы;
- Конденсатор С12;
- Диодный мост (скажем, VD7-VD10);
- Транзисторы.
Обратите внимание, что конденсаторы должны быть не мене, чем на 40 Вольт. Но не всем нравится самостоятельно складывать электронные приборы, поэтому будет проще купить хлопковый звуковой выключатель в магазине
Там можно подобрать модель под любые потребности и возможности.

Фото — собранный хлопковый контроллер
Установка хлопкового регулятора производится по классической схеме, в которой он используется вместе обычного одноклавишного или двухклавишного. У каждого отдельного устройства индивидуальная схема подключения, но принципиально они все очень похожи. Если вкратце, то нужно в сети подключить одноклавишную модель так, чтобы он питал хлопковый. Как это сделать:
- Стандартная схема работы выключателя и лампы имеет следующий вид: от щитка через распределительную коробку подводится питание к стандартному выключателю. Нейтраль от щитка ведется к лампе (или нескольким лампам). Лампы параллельно подключаются к отключающему устройству;
- Вам нужно разорвать цепь питания, которая идет на клавишный выключатель и установить её на акустический. Сделать это очень просто. Главным достоинством работы такого прибора является его малая размерность. Штробить стену не потребуется, т. к. преимущественно такой контроллер устанавливается на корпус светильника;
- Стандартно у выключателя две пары проводов: белые и черные. Белые отводятся на питание, черные на нагрузку. К примеру, белые соединяются с фазовым и нейтральным кабелями от щитка, а черные – от ламп;
- Соединять отдельные шнуры можно специальными клеммами или простой обмоткой. Паять места креплений не рекомендуется;
- После этого нужно включить обычный клавишный выключатель и проверить работу системы. Если понадобится полностью убрать его из системы, то переустановите провода питания так, чтобы они подводились к хлопковой модели напрямую.

Фото — расположение элементов Очень удобно то, что можно подключить один выключатель для нескольких ламп, он будет контролировать отдельные группы приборов. После установки обязательно установите регулятор громкости на нужный уровень, иначе свет будет загораться по малейшему хлопку или напротив, не включиться даже от сильного стука. Чаще всего регулятор представляет собой небольшой поворотный рычаг, который нужно докрутить до необходимого уровня.
Видео: особенности устройства хлопковых выключателей
https://youtube.com/watch?v=H3qfd1tRF74
Виды звуковых выключателей
Ассортимент данных коммутационных аппаратов на сегодняшний день является достаточно обширным. Это распространяется не только на виды, но и на ценовые категории и некоторые особенности отдельных вариантов. Более того, существуют даже дизайнерские модели, которые предназначены для интерьеров все тех же «умных» домов. Но, в целом, все современные выключатели делятся на следующие виды:
- Хлопковые;
- Акустические;
- С датчиком движения и звука.
Хлопковый выключатель, как уже было сказано, срабатывает, улавливая звуки определенного количества хлопков. Кстати, не все схемы именно этой модели сложно воспроизвести своими руками, так что любой радиолюбителей сможет попробовать сделать данный аппарат.
Акустический выключатель реагирует на голос, какую-либо команду. Кодовые фразы могут быть стандартными: «включить», «выключить», но некоторые обладатели звуковых моделей предпочитают задавать свои варианты, которые точно не выкрикнешь случайно. Правда, аппараты, поддерживающие функцию выбора кодового слова, стоят несколько дороже.
Последний вариант из общего ассортимента является наиболее технологичным. Его конструкция устроена таким образом, чтобы реагировать на движения человека и его голос одновременно. Они существуют для того, чтобы не было распространенных сбоев, о которых будет сказано позже.
Настройка
Регулировка изделия производится двумя переменными резисторами. Цель — добиться такого уровня чувствительности, что выключатель не срабатывал на громкую музыку, голос или посторонний шум.
Важно При установке микрофон должен быть направлен в сторону, откуда идёт звук хлопка. Вид готового изделия показан на картинке 1
Вид готового изделия показан на картинке 1.

Почему хлопок в ладоши используется, как сигнал? При ударе ладонями образуется звуковая волна большой амплитуды, хорошо улавливаемая микрофоном. Из-за высокой амплитуды управляющего сигнала вероятность несанкционированного срабатывания исключается. При использовании в схеме микроконтроллера можно заменить управляющую светом команду с хлопка на любой звук или слово. Все нюансы установки хлопкового выключателя вы найдете в отдельном материале.
Применение определённого слова, как команды, вызывает трудности, так как его приходится произносить с определённой интонацией для получения нужной амплитуды.
В любом доме или квартире есть приборы, которые отвечают за освещение — это выключатели. Простые — это клавишные, а те, что посложнее могут быть разными — сенсорные, с подсветкой, светодиодные, проходные, инфракрасные. Обо всех этих видах, а также о том, как они ремонтируются в случае поломки, устанавливаются или меняются, вы можете узнать в отдельных статьях на нашем сайте.
С полученными знаниями вы сможете изготовить этот прибор, который пригодится в хозяйстве.
Как действует акустический выключатель
Микрофон или акустический датчик преобразует звуковые колебания в электрический сигнал. После усилителя звуковой частоты ЗЧ сигнал детектируется, постоянное напряжение подается на базу транзисторного ключа, в нагрузку которого включена обмотка реле. После превышения порогового уровня на базе ключ срабатывает, и реле замыкает контакты питания 220 В электроприемника. При повторной звуковой команде схема автоматически отключается и прекращается протекание тока в светильнике или электроприборе.
Технические характеристики
Типовые технические характеристики акустического устройства с эксплуатацией в жилом объекте:
- вес нетто (без упаковки) 30 – 60 г;
- габаритные размеры 40*40*15 –86 *86 *26 мм;
- напряжение бытовой сети 220 В;
- максимальный ток нагрузки 5A;
- мощность нагрузки200–1100Вт;
- регулировка звуковой чувствительности 20 –150 дБ;
- класс защиты корпуса IP30 – IP34;
- относительная влажность от 20% до 60%;
- температура эксплуатации от 0°С до +40°С;
- срок гарантии изделий 12–24 месяца.
Составляющие детали
Стандартный акустический выключатель состоит из следующих деталей, запаянных на печатной плате:
- транзисторов и диодов;
- диодного моста и стабилитрона;
- микросхем триггера и компаратора;
- резисторов и конденсаторов;
- микрофона и реле.
Плата помещается в крепкий пластиковый корпус защелками.
Отличия между хлопковым и звуковым (голосовым) выключателем
Голосовые управляющие устройства сложнее переключателей «хлопкового» типа. В них задействованы специальные активные фильтры на микросхемах, выполняющие функции декодера команд. Они распознают последовательность гласных звуков определенной частоты и длительности, игнорируя акустические помехи.
Монтаж и схема подключения выключателя света по хлопку
Как я уже говорил выше, устанавливать хлопковый выключатель я планирую в своей спальной комнате. Там у меня установлен светильник с двумя лампами КЛЛ.
На данный момент светильник подключен через одноклавишный выключатель. Схема имеет следующий вид:
Вот схема подключения дистанционного выключателя «Экосвет‑Х‑300-Л», реагирующего на хлопки.
Белые провода нужно подключить в сеть 220 (В), причем строго соблюдать полярность при этом не требуется. К черным проводам подключается нагрузка — в моем случае это две лампы КЛЛ.
В настоящее время с распределительной коробки на светильник приходит фаза (через одноклавишный выключателя) и ноль. Вот их нам и нужно соединить с белыми проводами.
Черные провода нужно подключить непосредственно на лампы светильника, которые подключены параллельно друг с другом.
Вот схема питания светильника с хлопковым выключателем:
Питание хлопкового выключателя идет через существующий одноклавишный выключатель. Если мы хотим временно вывести его из работы, то достаточно отключить этот одноклавишный выключатель.
С помощью регулятора чувствительности звука выставим нужный нам уровень.
Настроим регулятор так, чтобы хлопок был и не слабым (исключим ложные срабатывания при легких случайных хлопках), и не сильным (чтобы руки не отбить).
Испытания и эксперименты (видео)
Проверим этот выключатель на действие следующих посторонних громких и звонких звуков от:
- ударов молотка
- работающего пылесоса
- звонка телефона
- работы перфоратора
- стука посуды (кружка с ложкой)
Попробуем спровоцировать ложные срабатывания путем воздействия на выключатель звуками от вышеперечисленных приборов и устройств. Алгоритм работы выключателя, а также проведенные мной эксперименты я снял на видео:
Сделаем вывод из экспериментов: выключатель ложно реагирует на звуки от работы перфоратора и на очень звонкие звуки от стука ложки о кружку. В остальных случаях ложных срабатываний замечено не было.
После часа работы я проверил нагрев его корпуса. Могу Вас обрадовать — корпус слегка теплый, что в пожарном отношении является безопасным.
Плюсы и минусы
Важнейшим преимуществом звукового переключателя перед классическими является простота и удобство использования. Пользователю не нужно думать, куда установить выключатель. Основные преимущества:
- работают с любыми электроприборами или источниками света;
- возможность включить и выключить бытовой прибор или свет, находясь в любой точке комнаты;
- отсутствие лишних проводов;
- надежность и длительный срок службы;
- бесшумность;
- безопасность.
Недостатки:
- Современные датчики умеют распознавать звук, который нужен для включения и выключения. Пользователю нужно точно знать, на какой именно сигнал отреагирует сенсор.
- Зона чувствительности ограничена. В большой по площади комнате придется хлопать громко или подходить ближе к сенсору. Если увеличить чувствительность, датчик может ложно среагировать на аналогичные звуки.
В корпусе на транзисторах
Выключатель в корпусе на транзисторах размещается в пластиковой коробке со степенью защиты от пыли и влаги ≥ IP30. Благодаря применению печатных плат с SMD-элементной базой,пьезоэлектрического датчика и твердотельного реле, размеры современного акустического выключателя в корпусе на транзисторах не превышают габаритов спичечного коробка.
Транзисторные устройства успешно локализуются в слаботочные сети (сигнализации, видеонаблюдения и т.п.).
Без корпуса
Применение изделия без корпуса оправдано в случае, если пользователь собирается встраивать изделие в корпус какого-то электроприбора. Например, предполагает закрепить печатную плату с компонентами и акустическим датчиком под кожухом кондиционера или в подставке вентилятора. Открытая сборка компактнее и заметно дешевле, чем девайс в корпусе.

Выключатели и светильники «вилка-розетка»
Выключатель типа «вилка-розетка» представляет съемное электроустановочное изделие в пластмассовом корпусе с входной вилкой для включения в сеть. Изделие оснащается 1-3 выходными розетками для подключения торшеров, бра, сложной бытовой техники, аппаратуры, гаджетов и других энергопотребителей. Изделие является переходником на пути следования электрического тока от сети 220 В к нагрузке, оснащенным платой управлением звуком. Обыкновенная пристыковка выключателя типа «вилка-розетка» позволяет подсоединить модуль с акустическим датчиком без электромонтажных и установочных работ.
Очень просто вставить в стационарные розетки комнаты 1–4 выключателя и настроить на разных потребителей (или группы потребителей для устройств с выходами типа «двойник» или «тройник»). Например, 1-й выключатель будет подключать отключать сетевую розетку от 3 хлопков, 2-й сработает от 4, 3-й среагирует на 5 хлопков, 4-й будет управлять 6-ю хлопками в ладоши.
Встроенный в «вилку-розетку» акустический коммутатор срабатывает от хлопков в ладоши благодаря селективной фильтрации, выделяющей характерные звуки на фоне шумов.
Схема акустического выключателя света по хлопку
Данный акустический выключатель света подъезда можно установить на лестничной площадке в подъезде. Он откликается на звуковой сигнал, например хлопок. В том случае, если этот акустический сигнал достаточный для его срабатывания, то он включает освещение на одну минуту, что полнее хватает для того чтобы открыть дверь своей квартиры.
Большинство схем акустических выключателей света имеют один существенный недостаток – зацикливание, в результате чего схема акустического выключателя работает нестабильно. Одна из причин этого — тиристор, вызывающий искажение синусоиды в сети, в результате помехи через цепи питания попадают на микрофонный усилитель, вызывая тем самым зацикливание.
Самый эффективный вариант предотвратить зацикливание схемы, это отключать в автоматическом режиме микрофон после включения освещения, и подключать его обратно по прошествии пары секунд после отключения света.
Принцип работы схемы акустического выключателя
Схема звукового сенсора состоит из электретного микрофона с собственным предусилителем, резистора для регулирования чувствительности R2, собранного на двух транзисторах VT1 и VT2 двухкаскадного усилителя звуковой частоты, детектора на диодах VD1 и VD2 и ключа управления на транзисторе VT3. После хлопка переменное напряжение с выхода микрофона, пройдя через усилитель, выпрямляется диодным детектором, приобретает некоторую постоянную величину.
После хлопка, звук превышает определенный уровнь, который выставляется переменным резистором R2, напряжение на конденсаторе С8 увеличиваясь, открывает транзисторный ключ VT3. На коллекторе VT3 появляется лог. 0 соответствующий уровню микросхем КМОП. На элементах микросхемы К561ЛЕ5 собрана схема временной задержки, которое выполняет минутное включение освещения и отключение сенсорного узла.
В изначальном состоянии, когда свет не включен на элемент DD1.4 через резистор R12 идет лог. уровень равный 1 КМОП. Соответственно на выходе DD1.4 будет лог. 0. Конденсатор С10 будет разряжен и на входе 9 DD1.3 будет лог. 0, а на выводе 8 DD1.3 из-за резистора R8 будет лог.1. После хлопка транзистор VT3 откроется, что приведет к появлению лог. 0 на выводе 8 DD1.3. Из-за этого лог. 1 появившаяся на выводе 10 DD1.3 переводит триггер, собранный на элементах DD1.1 и DD1.2, в единичное состояние. Единица с выхода триггера включает реле через транзистор VT4, и тем самым включается свет.
В это же самый момент из-за диода VD4 уровень на входе DD1.4 понижается практически до нуля. В результате чего конденсатор C10 мгновенно заряжается, в результате чего элемент DD1.3 закрывается, что приводит к игнорированию сигналов со стороны сенсорного узла приходящий на вывод 8 DD1.3, тем самым защищая акустический выключатель от зацикливания.
Параллельно конденсатор С9 через резистор R9 медленно заряжается (на это уходит примерно одна минута). После заряда конденсатора триггер перейдет в противоположное состояние, то есть теперь на его выходе будет лог. 0, что приведет к отключению света. Из-за диода VD4 на входах D1.4 снова будет лог. 1. Потом через резистор R11 конденсатор С10 в течении 3 секунд разрядится, и акустический выключатель перейдет в первоначальное состояние, готовое к включению при появлении нового хлопка.
Детали схемы акустического выключателя
Блок питания акустического выключателя — бестрансформаторный, излишек сетевого напряжения погашается конденсатором С12 (его реактивным сопротивлением). После переменное напряжение выпрямляется диодным мостом на VD7-VD10 и стабилизируется в районе 12 вольт посредством стабилитрона VD6. Транзисторы любые КТ315 либо КТ3102. Транзистор КТ815 можно поменять на КТ503 или КТ817. Конденсатор С11 должен быть на напряжение более 12В, а конденсатор С12 не менее 400В. Выпрямительные диоды VD7-VD10 любые выпрямительные, в частности могут быть КД209.
Скрытый и наружный способы установки
Самое первое c чем придется определиться – какой нужен выключатель по типу установки, которая может быть внутренний или наружной.
В первом случае монтаж производится внутри стены, для чего в ней вырезаются отверстия соответствующего размера. Этот вид устройств используется чаще всего, так как преимущественно проводка прокладывается скрытым способом.
Наружные выключатели применяются либо в деревянных домах, в которых проводка чаще всего делается открытого типа, или когда приборы освещения прокладываются по временной схеме – в этом случае чтобы не резать стены провода прокладывают на их поверхности.

Можно ли сделать выключатель своими руками?
Своими руками сделать звуковой коммутационный аппарат сможет только тот, кто уже имеет хоть какой-то опыт в работе с радиоаппаратурой. Новичку в этом деле лучше всего будет использовать самые простые схемы, найти которые тоже не так-то просто.
Если опираться на технические данные, то стандартный хлопковый и акустический выключатель работает при таких параметрах:
- Напряжение сети должно быть 220 (В) — то есть, подойдет обычная лампа накаливания;
- Мощность нагрузки не должна превышать 300 (Вт);
- Температура в помещении не ниже -20 градусов, и не выше +45;
- Звук регулируется от 30 до 150 децибелов;
- Защита корпуса IP-30.
Это описание характеристик для популярной модели «Экосвет‑Х‑300-Л», на них можно сделать главный упор, поскольку именно этот вариант идеально подходит для обычной квартиры.
Чтобы сделать акустический выключатель своими руками, нужно также просмотреть подходящие схемы. Внутренности аппарата должны воспроизводиться по отдельной микросхеме. Если же обходиться без особых затрат по времени, то лучше всего покупать целые детали, из которых, с помощью схемы, можно будет создать работающую конструкцию.
Звуковой, или же голосовой выключатель для обычного дома не будет иметь особенностей, кроме встроенного микрофона и несколько другой реализации. Для тех, кто уже делал своими руками коммуникативную или радиоуправляемую аппаратуру осуществление схемы и вовсе не займет много времени.






























