Технические мероприятия
Имея на руках техническую документацию, с указанием наименований и места монтажа, можно приступать к установке электросчетчика своими руками. Прежде всего необходимо приобрести материалы и элементы для самостоятельного монтажа.
Если счетчик электроэнергии планируется ставить на улице (для частных домов и дач это оптимальное место размещения), на наружной стене дома (фасаде) или же столбе, необходимо установить ЯУР-НГ (ящик учета и распределения наружный, герметичный бокс). Он уже оснащен местом и элементами для крепления прибора учета, а также отдельным закрывающимся боксом под пломбировку автомата защиты ввода. Помимо этого бокс оснащен DIN рейкой для монтажа модульных автоматов. Пример установки электросчетчика в наружном боксе вы можете увидеть на фото:

Для того, чтобы установить электросчетчик в помещении можно использовать ящик ЯУР для внутренней установки или монтажную доску, в ней также предусмотрено место для монтажа дополнительных автоматов.

Расчет сечения кабеля описан в нашей статье. Перенос или замену счетчика, а также установку нового прибора учета лучше производить с заменой старого вводного кабеля на новый. Помимо этого рекомендуется установить в щитке элементы защиты (УЗО, автоматы) вместо устаревших пробок, заранее заложив возможность перехода на современную систему электроснабжения TN-C-S. О том, какие бывают системы заземления, можете прочитать в нашей статье. На рисунке ниже предоставлена схема подключения однофазного электросчетчика с заземлением:

В том случае, если вы решили установить электросчетчик своими руками, согласно правилам ПУЭ (см. Главу 1.5) нужно выполнить такие требования:
- Прибор учета электроэнергии может устанавливаться в электрических шкафах, на щитах и панелях, имеющих жесткую конструкцию.
- Высота установки по клеммам электросчетчика варьируется от 0,8 метра до 1,7 метра.
- В местах, где есть вероятность повреждения, загрязнения, доступа посторонних лиц, электросчетчик должен устанавливаться в бокс и запираться на ключ.
- Расположение счетчика должно позволять легкий доступ в обслуживании, снятии показаний, замене.
- Вводной кабель должен отвечать расчетным требованиям и соответствовать сечению, для безаварийного снабжения.
- Не допускаются скрутки, спайки на вводном кабеле, он должен быть одним цельным куском от подъездного ввода до прибора учета.
При подключении кабеля к счетчику, знайте что цветовая маркировка жил должна быть такой, согласно принятых правил — коричневый, черный, красный, белый это проводники подключаемые к фазам, обозначается как L. Синий — провод нуля N, желто-зеленная изоляция у защитного проводника РЕ. Помня про цветовую маркировку трудно запутаться.
Обращаем ваше внимание на то, что выполнять установку электросчетчика под напряжением категорически запрещается! Все электромонтажные работы должны производиться только при выключенном вводном автомате!
В частном доме, а также на дачном участке, в том случае если электросчетчик вновь устанавливаемый находится на столбе границы участка, имеется возможность подключения дома от ЯУРа проложив электропроводку в земле, или выполнив монтаж тросовой проводки на высоте по воздуху. Рекомендуем ознакомится с этими статьями на нашем ресурсе, где подробно описаны методы прокладывания кабеля в траншее и самостоятельное изготовление тросовой проводки.
Кстати, стоимость установки электросчетчика специалистом варьируется от 1000 рублей за однофазную модель и от 1500 рублей за трехфазный прибор.
Напоследок рекомендуем просмотреть видео, в которых наглядно демонстрируется, как установить однофазный и трехфазный счетчик электроэнергии:
Что касается способов подсоединения устройств, схемы подключения трехфазных счетчиков, а также однофазных, мы подробно рассмотрели в соответствующих статьях, с которыми настоятельно рекомендуем ознакомиться. В остальном, надеемся, что вам понравилась наша информация о том, как производится установка электросчетчика своими руками и какие документы для этого нужны.
Какой же прибор выбрать?
Хоть чаще всего желающего установить счетчик буквально ставят в известность о том, какая именно модель для этого требуется и согласовать ее замену весьма проблематично, не взирая на очевидное ее несоответствие требованиям, но все же стоит освоить азы критериев, которым должен соответствовать трехфазный счетчик по своим характеристикам.
Выбор счетчика начинается с вопроса его подключения — через трансформатор или напрямую в сеть, что можно определить по максимальному току. Счетчики прямого включения имеют токи порядка 5-60/10-100 ампер, а полукосвенного — 5-7,5/5-10 ампер. Строго согласно этим показаниям подбирается и счетчик — если ток 5-7,5А, то и счетчик должен быть аналогичным, но никак не 5-10А, например.
Во вторую очередь обращаем внимание на наличие профиля мощности и внутреннего тарификатора. Что это дает? Тарификатор позволяет счетчику регулировать тарифные переходы, фиксировать график нагрузки за любой временной промежуток
А профиль — фиксирует, регистрирует и сохраняет значения мощности за период времени.
Для наглядности рассмотрим характеристики трехфазного счетчика на примере его многотарифной модели:
Следует взять на заметку, что на сегодняшний день широко распространены трехфазные счетчики для однофазных сетей и наоборот: когда в трехфазную сеть подключают сразу три однофазных.
Класс точности определяется в значениях от 0,2 до 2,5. Чем больше это значение, тем больше процент погрешности. Для жилых помещений самым оптимальным считается класс 2.
- значение номинальной частоты: 50Гц
- значение номинального напряжения: В, 3х220/380, 3х100 и другие
Если при применении измерительного трансформатора вторичное напряжение равно 100В, требуется счетчик такого же класса напряжения (100В), а также трансформатор значение полной мощности, потребляемой напряжением: 5 ВА, а активной мощности — 2Вт
- значение номинального-максимального тока: А, 5-10, 5-50, 5-100
- максимальное значение полной мощности, потребляемой током: до 0,2ВА
- включение: трансформаторное и непосредственное
- регистрация и учет активной энергии
Кроме этого, важен диапазон температурных показателей — чем он шире, тем лучше. Средние значения находятся в пределах от минус 20 до плюс 50 градусов.
Также следует обратить внимание на срок эксплуатации(зависит от модели и качества счетчика, но в среднем это 20 -40 лет) и межпроверочный интервал (5-10 лет). Большим плюсом будет и наличие встроенного электросилового модема, с помощью которого происходит экспорт показателей по силовой сети
А журнал событий позволяет нотировать изменения, касающиеся динамики напряжения, активной и реактивной энергии и прямо транслировать их на компьютер или соответствующий коммуникационный центр
Большим плюсом будет и наличие встроенного электросилового модема, с помощью которого происходит экспорт показателей по силовой сети. А журнал событий позволяет нотировать изменения, касающиеся динамики напряжения, активной и реактивной энергии и прямо транслировать их на компьютер или соответствующий коммуникационный центр.
И самое главное. Ведь выбирая счетчик, мы в первую очередь думаем об экономии
Так вот, чтобы действительно сэкономить на электроэнергии, следует обратить внимание на наличие тарифов. По этому признаку счетчики бывают одно-, двух- и многотарифные
Например, двухтарифные заключаются в комбинации позиций «день-ночь «, непрерывно сменяющие друг друга по графику «7 утра -11 ночи; 11 ночи -7 утра» соответственно. Стоимость электроэнергии по ночному тарифу на 50% ниже дневного, поэтому имеет смысл эксплуатировать приборы, требующие много энергии(электродуховки, стиральные и посудомоечные машины и пр.) именно в ночное время.
Подготовительные работы
Перед тем, как подключить счетчик электроэнергии, необходимо провести подготовительные работы. Установить бокс, в котором будет монтироваться все оборудование.
Большая часть современных счетчиков является модульными. Это значит, что их установка производиться на специальную монтажную рейку, что существенно облегчает и упрощает процесс монтажа. Так же, модульными являются и бытовые серии защитного оборудования, сюда относятся:
- автоматические выключатели
- УЗО (устройства защитного отключения)
- дифференциальные автоматы
- различные переходные клеммы и нулевые шины
- ограничители напряжения
- индикаторы напряжения
Они устанавливаются в специальные боксы, изготовленные из специальной негорючей пластмассы. Эти боксы, могут быть навесными и встраиваемые, иметь различные размеры, которые зависят от количества установочных мест внутри щита.
Бокс используемый в примере, навесного исполнения, рассчитан на 24 установочные позиции, имеет две дин рейки по 12 мест. Дин рейка — металлическая пластина, на которую монтируется модульное оборудование.

Бокс состоит из двух основных частей:
- наружная — защитная крышка с дверкой
- внутренняя, — в комплектацию которой входят, одна или несколько дин реек, их количество зависит от того, на сколько установочных позиций рассчитан бокс. И нулевая шина, предназначенная для распределения питающего нуля, между всеми отходящими проводами.
Переходим, к подготовке бокса к монтажу. Снимаем верхнюю крышку. Для этого необходимо открутить 4 винта крепления наружной крышки.

Перед нами, внутренняя часть бокса. Как видно на ней имеются две, упомянутые выше дин рейки.

И нулевая шина.

Монтируем бокс на стену. Стоит отметить, что согласно требований ПУЭ (правила устройства электроустановок), высота установки счетчика внутри помещения, должна соответствовать определенным размерам, 0,8-1,7 метра от пола. Такие требования обусловлены тем, что бы контролер или пломбировщик, обслуживающей электрической организации, имел возможность, снять показания счетчика без применения табуреток и стремянок. Оптимальной высотой установки, является высота уровня глаз среднего человека, 1,6-1,7 метра.
В зависимости от материала стены, используем необходимые крепления, дюбеля по бетону или саморезы по дереву.

И так, бокс установлен. Переходим к монтажу модульного оборудования.
Подключение трехфазного счетчика полукосвенного включения
Данные приборы включаются в сеть через трансформаторы тока, благодаря чему появляется возможность использовать их в сетях с довольно высокими мощностями (до 60кВт). Используя такой способ учета, для определения расхода нужно разность показаний умножать на установленный коэффициент трансформации.
Существует несколько разновидностей подключения счетчиков полукосвенного подключения.
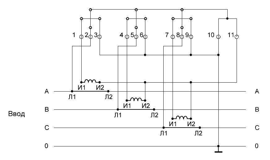
1 Подключение трансформаторов тока «звездой»
Процесс подключения проводов имеет вид:
- контакты 3, 6, 9, 10 – замыкаются и подключаются к нулевому проводу;
- контакты И2 – замыкаются, подключаются к клемме 11;
- 1 – к И1 фазы А;
- 4 – к И1 фазы В;
- 7 – к И1 фазы С;
- 2 – к Л1 фазы А;
- 5 – к Л1 фазы В;
- 8 – к Л1 фазы С.
Рисунок — Схема подключения «звездой»
3. Подключение трехфазного счетчика косвенного подключения
Эти устройства предназначены для выполнения учета электроэнергии на высоковольтных присоединениях (6-10кВ и более), подключение реализуется при помощи трансформаторов напряжения, тока.
Ниже представлены основные схемы подключения трехфазных счетчиков через трансформаторы тока и напряжения:
1) Схема включения трехэлементного счетчика в четырехпроводную сеть с заземленной нейтралью: (рисунок ниже) 
2) Схема включения трехэлементного счетчика в четырехпроводную сеть. Три трансформатора тока, прямое подключение к напряжению:(рисунок ниже) 
3) Схема включения трехэлементного счетчика к трехпроводной линии — два трансформатора тока, три трансформатора напряжения: (рисунок ниже)

При подключении трехэлементного счетчика по схеме №3:
- ток по фазе В вычисляется с вычетом тока нулевой последовательности;
- не используются токи прямой, обратной и нулевой последовательности основной частоты (симметричные составляющие);
- активная и реактивная мощности по фазе В вычисляются с вычетом тока нулевой последовательности из фазного тока;
- учет электрической энергии ведется с учетом вышеприведенных замечаний.
4) Схема включения двухэлементного счетчика к трехпроводной линии — два трансформатора тока, два трансформатора напряжения (рисунок ниже)

При подключении счетчика по схемам №4 и №5:
- не измеряется напряжение нулевой последовательности основной частоты (симметричные составляющие);
- не измеряются токи прямой, обратной и нулевой последовательности основной частоты (симметричные составляющие);
- мощности присоединения вычисляются по формулам;
- учет электрической энергии ведется с учетом вышеприведенных замечаний.
5) Схема подключения двухэлементного счетчика к трехпроводной линии – два трансформатора тока, прямое подключение по напряжению (рисунок ниже)

Внимание!: Возможность подключения по конкретной схеме должна быть указана в паспорте или руководстве на конкретный тип счетчика
Подключение трехфазного счетчика прямого включения
13 Июл 2018г | Раздел: Электрика
Здравствуйте, уважаемые читатели сайта sesaga.ru. Для учета потребляемой электрической энергии в трехфазных четырехпроводных цепях переменного тока применяют трехфазные электрические счетчики, разделяющиеся по типу подключения на счетчики непосредственного включения, полукосвенного и косвенного включения.
Газовый счетчик вк g4t на сайте gazo-schetchik.ru
Счетчики полукосвенного и косвенного включения предназначены для работы в мощных электрических сетях и применяются для учета энергии на крупных строительных объектах, промышленных предприятиях, заводах и т.п.
Счетчик измеряет потребляемую энергию с помощью разделительных трансформаторов тока, которые устанавливают на каждую фазу. Трансформаторы преобразуют входной сигнал тока до определенной величины, который затем поступает в измерительную часть счетчика.
Отсюда и происходит название способа включения, потому что в процессе измерения ток сначала проходит через трансформаторы и понижается до рабочего диапазона счетчика, и только потом попадает в его измерительную часть. Поэтому за счет применения трансформаторов счетчики косвенного и полукосвенного включения могут работать с нагрузкой в несколько раз превышающей их рабочий ток.
Счетчики непосредственного включения применяются для учета потребляемой энергии в электрической сети маломощного потребителя. Измерение электроэнергии осуществляется внутренней схемой самого счетчика, которая подключается непосредственно к трехфазной четырехпроводной сети переменного тока. И хотя такое включение ограничено максимальным током, который способен пропустить счетчик и ограничено величиной 100 Ампер, однако этого тока вполне достаточно для домашней электрической сети.
На примере трехфазного счетчика непосредственного включения «Энергомера» я расскажу Вам, как его включить в трехфазную сеть. В принципе, схема подключения дается в руководстве по эксплуатации и дополнительно изображена на корпусе счетчика, поэтому проблем с подключением возникнуть не должно. Однако эти схемы имеют один минус – на них не показано включение коммутационной аппаратуры.
Сейчас мы этот минус устраним.
Итак. Для подключения нам понадобится счетчик, два автоматических выключателя и нулевая шинка. Автомат, который будет стоять на вводе (перед счетчиком), желательно установить четырехполюсный, чтобы при необходимости или возникновении аварийной ситуации можно было полностью отключить себя от линии.
Чтобы добраться до клеммной колодки необходимо открутить винт и снять нижнюю крышку. На рисунке винт обозначен кружком.
Сначала подключим вводной автомат.
С выходных клемм автомата фазы А, В, С (белый провод) подключают на входные клеммы счетчика 1-3-5, а ноль N (синий провод) на клемму 7.
В процессе монтажа провод от изоляции очищают следующим образом: конец провода, подключаемый к выходной клемме автоматического выключателя, очищают от изоляции на длину 8 – 10 мм, а конец, подключаемый к клемме счетчика, очищают на длину 27 – 30 мм.
При подключении провода к счетчику откручивают оба винта контактного зажима. Провод вставляют до упора и первым закручивают верхний винт. Легким подергиванием провода убеждаются, что он плотно зажат и если зажат, то затягивают нижний винт.
Совет. Если счетчик предполагается использовать в частном доме или квартире, то монтаж внутренних соединений выполняется медным проводом сечением 4мм². Использовать провод сечением свыше 4мм² нет смысла, так как для домашнего потребителя Россеть более 15 кВт не дает и по техническим условиям вводной автомат разрешает устанавливать на нагрузку не более 25 Ампер. А рабочий ток медной жилы сечением 4мм² составляет приблизительно 32 Ампера, чего вполне достаточно.
Продолжаем.
С выходных клемм счетчика 2-4-6 провода фаз А, В, С подключаются на входные клеммы автоматического выключателя, с выхода которого трехфазное напряжение поступает в домашнюю электрическую сеть. С клеммы 8 нулевой провод N подключается к нулевой шинке.
А вот как выглядит полная монтажная схема включения трехфазного счетчика.
Теперь если подать напряжение на счетчик, то на его лицевой панели должен зажечься световой индикатор «Сеть». А при подключении нагрузки световой индикатор «600 imp/kW•h» (или «400 imp/kW•h» — в зависимости от исполнения) должен мигать.
Также рекомендую посмотреть ролик о включении трехфазного счетчика прямого включения в трехфазную электрическую сеть.
Схема подключения однофазного электросчетчика
Подготовка к монтажу
Бывают счетчики, предназначенные для учета электроэнергии с другими параметрами, но они имеют специальное назначение.
Как подключить однофазный счетчик Если расшифровать схему, получается следующий порядок подключения: К 1 и 2 клемме подключаются фазные провода.
Они могут быть как металлическими, так и пластиковыми.
Была ли Вам полезна данная статья? Сейчас принято в частных домовладениях устанавливать счетчики на улице, для предотвращения хищения электрической энергии.
Схемы подключения однофазного и трехфазного электросчетчика
Срок службы электронных счетчиков производители декларируют в течение не менее 30 лет, а интервалы времени между их поверками составляют от 10 до 16 лет. Заключительный этап работ: опломбировка Опломбировка — это обязательная процедура, которая производится представителем электроснабжающей организации.
Такой счетчик будет расцениваться, как обычное электротехническое устройство, к примеру, как автомат или УЗО. Приходящая нейтраль
Основные характеристики, на которые нужно обратить внимание перед выбором оборудования Правильный выбор электросчетчика должен начинаться с изучения его характеристик, которые должны соответствовать его условиям эксплуатации
Навигация по записям
Правила хорошего тона, требуют, чтобы подключение вводного кабеля производилось на верхние клеммы автоматического выключателя. Схема подключения трехфазного счетчика Схема подключения однофазного электрического счетчика: делаем всё правильно Для учета расхода электрической энергии существуют специальные приборы, которые хорошо знакомы нам как электросчетчики. Они опрессовываются клещами можно зажать пассатижами. Если добраться до клеммной пластины любого однофазного счетчика, увидим четыре контакта. В современных электронных счетчиках даже есть функция электронной пломбы, когда все случаи вскрытия клеммной крышки регистрируются и заносятся в память устройства.
Также данные приборы могут быть электронные и аналоговые. Итак, что же потребуется для подключения электросчетчика, каким образом производится подобное подключение и насколько сложным будет монтаж счетчика электроэнергии своими руками — будем разбираться. При однофазной сети дата госповерки счетчика — не старше 2 лет, при трехфазной — одного года. При затяжке клемм электросчетчика и другого оборудования следует обеспечить нормальный контакт.
схема подключения однофазного счетчика
Принцип работы измерительных трансформаторов
Следовательно, счетчик не будет работать и выдавать показания. Все приборы имеют электронные пломбы и обладают длительным сроком службы до 16 лет.
Сегодня в продолжение, схемы подключения однофазного счетчика , схемы подключения трёхфазного электросчётчика учета. Электронные устройства Современный электронный учёт электроэнергии организуется по нескольку иному принципу и позволяет получить ряд преимуществ, основными из которых являются: Высокая точность снятия показаний, существенно превышающая тот же показатель для индукционного прибора; Возможность эксплуатации в многотарифном режиме; Допустимость организации автоматического снятия показаний. Преимущества установки и эксплуатации изделия Меркурий Трансформатор тока Меркурий Электросчетчики рассматриваемого класса представляют собой приборы учета, с помощью которых удается замерять расходуемую в трехфазных цепях энергию.
Кабель, подключаемый к выходам Л1 и Л2, рассчитывается на необходимую нагрузку. Первичный контур выполняется из мощной токопроводящей шины, которая продевается сквозь центр устройства и подсоединяется в разрыв проводников питания потребителей электрической энергии.
Здесь работы, строго, должны производить профессионалы с соответствующими допусками работ. Большое значение имеет правильный выбор трансформатора
Очень важно соблюсти правильную фазировку включения обмоток
См. также: Пуэ кабель в земле
Подключаем трехфазный электросчетчик
Схемы подключения Схема полукосвенного подключения Схема подключения счетчика через трансформаторы тока Меркурий предусматривает несколько способов его включения, отличающихся коммутацией линейных проводников: полукосвенное подключение; прямое включение; косвенный способ. Аналогично подключают провода сечением 1.
Чтобы избежать путаницы при возникновении каких-либо неисправностей обязательно сделайте отметки с номером квартиры на ваших автоматических выключателях и счетчике. В счетчике также предусмотрен особый вид защиты, исключающий возможность несанкционированного проникновения при попытках хищения электроэнергии. Несмотря на то, что такие приборы и их программирование стоят дороже однозонных, это выгодно. Одна из них — подсоединение посредством десяти отдельных проводящих жил.
Это упрощает монтаж и ремонт электрооборудования и заметно снижает риски при его эксплуатации в нормальных режимах. Поэтому если у человека нет уверенности в собственных талантах электрика при подключении трёхфазного электросчётчика через трансформатор, то целесообразно задуматься о вызове специалиста. Кроме того, при этом способе коммутации повышается надежность его функционирования и безопасность эксплуатации. Монтаж трёхфазного счётчика также выполняется в шкафчике.
По аналогии выполняется подсоединение оставшихся обмоток трансформаторов к соответствующим контактам на счётчике. При отсутствии сборок с зажимами необходимо устанавливать испытательные блоки. Подключение ТЭН в трехфазную сеть. Часть 2
Из каких элементов состоит электрический щит
Закупать составляющие электрощита необходимо сразу, чтобы впоследствии не терять время и не ездить по несколько раз за день в электротехнический магазин. Мощность щита определена, она составляет 15 кВт, это означает, что максимальная потребляемая мощность не превысит 15 кВт/ч.
Электрощит частного дома, перечень элементов:
- Счётчик электрической энергии. Счётчик является первым элементом, который должен быть установлен в щите. Лучшим решением станет покупка электронного устройства, рассчитанного на подключение трёх фаз. Такие измерительные приборы обладают высокой точностью и длительным сроком эксплуатации. Вся информация выводится на цифровой экран. Электронные счётчики могут быть запрограммированы на функционирование в нескольких тарифах.
- Электрический щит. Сейчас в магазинах имеется большое количество электрощитов самых различных размеров и рассчитанных на определённое количество элементов. Цена на изделие варьируется в зависимости от наличия DIN-рейки, встроенного замку, а также смотрового окна (специально для снятия показаний со счётчика). Следует обратить на защиту от пыли и влаги, её уровень должен составить не менее IP 54. Габариты — 445×400×150, и толщины стенки в 1 мм.
- Вводной автоматический выключатель. Следует приобретать трёхполюсный автомат, ведь заводимое напряжение в дом составит 380 В, а это означает наличие трёх фаз.
- Устройство защитного отключения (УЗО). Монтируется в обязательном порядке, так как является защитным элементом при появлении опасного потенциала на корпусе электроприбора.
- Автоматические выключатели. Подбирать ампераж следует исходя из нагрузки потребителя, о чём будет рассказано далее.
- Реле напряжения. Защищает бытовые электроприборы от скачков напряжения. Многие пользователи устанавливают реле, но оно не является обязательным элементом. Также сейчас получило широкое применение устройство защиты от импульсных скачков (УЗИП). Например, при ударе молнии в воздушную ЛЭП, напряжение в доме достигнет высоких пределов, что станет губительным для всей техники. УЗИП вовремя отключит сеть, но, как и реле напряжения, устанавливают его не часто.
- Измерительные приборы. Также являются необязательным элементом электрощита. К измерительным приборам относятся амперметры и вольтметры, часто комбинируемые в одно изделие.
Дата выпуска (поверки) электросчетчика
На мой взгляд, а со стороны инспекторов сетевой компании тем более, это важнейший момент, так как если в магазине нечестный продавец или же просто по незнанию «впарит» вам однофазный электросчетчик для квартиры, выпущенный более 2-х лет назад, то согласно правил учета электроэнергии — такой электросчетчик, инспектор у вас не примет и заставит провести поверку электросчетчика для квартиры, дома, либо, что будет гораздо быстрее — купить новый. Для трехфазных электросчетчиков — срок еще меньше, и составляет не более 1 года. Дату выпуска можно увидеть на панели электросчетчика и в паспорте (формуляре) на электросчетчик в квартире.

Трехфазный электросчетчик Меркурий 230 ART

Отмечу еще один момент, когда вы ставите, где-то ранее использованный электросчетчик для квартиры (стоял в старом доме, гараже, подарил друг и т.д.), то на электросчетчик для квартиры у вас должно быть свидетельство о поверке с давностью не более 1-ого года для трехфазных электросчетчиков и 2-х лет для однофазных, т.е. вы можете использовать старый электросчетчик для квартиры, если перед установкой он пройдет государственную поверку.
Запомните, пожалуйста, это в первую очередь, чтобы не сорвать для себя планы по подключению электроэнергии, без электросчетчика никто вам электричество в дом не проведет.
Подключение трехфазного счетчика прямого включения
13 Июл 2018г | Раздел: Электрика
Здравствуйте, уважаемые читатели сайта sesaga.ru. Для учета потребляемой электрической энергии в трехфазных четырехпроводных цепях переменного тока применяют трехфазные электрические счетчики, разделяющиеся по типу подключения на счетчики непосредственного включения, полукосвенного и косвенного включения.
Газовый счетчик вк g4t на сайте gazo-schetchik.ru
Счетчики полукосвенного и косвенного включения предназначены для работы в мощных электрических сетях и применяются для учета энергии на крупных строительных объектах, промышленных предприятиях, заводах и т.п.
Счетчик измеряет потребляемую энергию с помощью разделительных трансформаторов тока, которые устанавливают на каждую фазу. Трансформаторы преобразуют входной сигнал тока до определенной величины, который затем поступает в измерительную часть счетчика.
Отсюда и происходит название способа включения, потому что в процессе измерения ток сначала проходит через трансформаторы и понижается до рабочего диапазона счетчика, и только потом попадает в его измерительную часть. Поэтому за счет применения трансформаторов счетчики косвенного и полукосвенного включения могут работать с нагрузкой в несколько раз превышающей их рабочий ток.
Счетчики непосредственного включения применяются для учета потребляемой энергии в электрической сети маломощного потребителя. Измерение электроэнергии осуществляется внутренней схемой самого счетчика, которая подключается непосредственно к трехфазной четырехпроводной сети переменного тока. И хотя такое включение ограничено максимальным током, который способен пропустить счетчик и ограничено величиной 100 Ампер, однако этого тока вполне достаточно для домашней электрической сети.
На примере трехфазного счетчика непосредственного включения «Энергомера» я расскажу Вам, как его включить в трехфазную сеть. В принципе, схема подключения дается в руководстве по эксплуатации и дополнительно изображена на корпусе счетчика, поэтому проблем с подключением возникнуть не должно. Однако эти схемы имеют один минус – на них не показано включение коммутационной аппаратуры.
Сейчас мы этот минус устраним. Итак. Для подключения нам понадобится счетчик, два автоматических выключателя и нулевая шинка. Автомат, который будет стоять на вводе (перед счетчиком), желательно установить четырехполюсный, чтобы при необходимости или возникновении аварийной ситуации можно было полностью отключить себя от линии.
Чтобы добраться до клеммной колодки необходимо открутить винт и снять нижнюю крышку. На рисунке винт обозначен кружком.
Сначала подключим вводной автомат. С выходных клемм автомата фазы А, В, С (белый провод) подключают на входные клеммы счетчика 1-3-5, а ноль N (синий провод) на клемму 7.
В процессе монтажа провод от изоляции очищают следующим образом: конец провода, подключаемый к выходной клемме автоматического выключателя, очищают от изоляции на длину 8 – 10 мм, а конец, подключаемый к клемме счетчика, очищают на длину 27 – 30 мм.
При подключении провода к счетчику откручивают оба винта контактного зажима. Провод вставляют до упора и первым закручивают верхний винт. Легким подергиванием провода убеждаются, что он плотно зажат и если зажат, то затягивают нижний винт.
Совет. Если счетчик предполагается использовать в частном доме или квартире, то монтаж внутренних соединений выполняется медным проводом сечением 4мм². Использовать провод сечением свыше 4мм² нет смысла, так как для домашнего потребителя Россеть более 15 кВт не дает и по техническим условиям вводной автомат разрешает устанавливать на нагрузку не более 25 Ампер. А рабочий ток медной жилы сечением 4мм² составляет приблизительно 32 Ампера, чего вполне достаточно.
Продолжаем. С выходных клемм счетчика 2-4-6 провода фаз А, В, С подключаются на входные клеммы автоматического выключателя, с выхода которого трехфазное напряжение поступает в домашнюю электрическую сеть. С клеммы 8 нулевой провод N подключается к нулевой шинке.
А вот как выглядит полная монтажная схема включения трехфазного счетчика.
Теперь если подать напряжение на счетчик, то на его лицевой панели должен зажечься световой индикатор «Сеть». А при подключении нагрузки световой индикатор «600 imp/kW•h» (или «400 imp/kW•h» — в зависимости от исполнения) должен мигать.
Также рекомендую посмотреть ролик о включении трехфазного счетчика прямого включения в трехфазную электрическую сеть.





























